RUBBER LINED VALVES

Cast Steel, Stainless Steel Body Valves, Rubber Lined internally

 

EPDM, VITON, NBR LINED VALVES

 

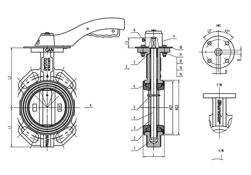
Butterfly Type:

Size Range: DN50-DN250

Pressure: PN10/16/150LB/10K

Body Material: CI/DI/WCB/CF3/ CF3M/CF8/ CF8M

Seat Material: NBR/EPDM/PTFE/SI

Disc Material: DI/CF3/ CF3M/CF8/CF8M/ C954

Stem Material: SS420/ 2Cr13/SS304/SS316

 

Features: Handle type and actuated wafer butterfly valves are mainly used in the Municipal construction, hydraulic engineering, electricity, water supply and drainage, water treatment.

PRODUCT ADVANTAGES

Rubber Lined Butterfly Valves Standard EPDM rubber seat enable the valves to have super stable and reliable resilience. No leakage after opening and closing more than 10,000 times.

 

The external surface of the valve adopts electrostatic powder thermal spray coating process, the thickness of the spray is up to 250μm, the valve body is heated at 200°C for 3 hours, and the powder is cured at 180°C for 2 hours. After natural cooling, the surface adhesion is doubled compared with ordinary powder, which is more environmentally friendly and weather resistant. Ensure that colour of valve body does not fade for 36 months..

 

Rubber Lined Valves

 

 

Rubber Lined Butterfly Valves

 

 

Rubber Lined Butterfly Valves

 

 

Butterfly Valve Diagram

CONTACT US

Are you looking for more information about our products and Services, require technical support or would like our brochure of products? Send an e-mail to sales@resistochem.co.za for prompt assistance.